Sensational 3 Phase Variac Circuit Diagram

6 kva and 3 phase variac voltage regulator.
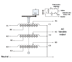
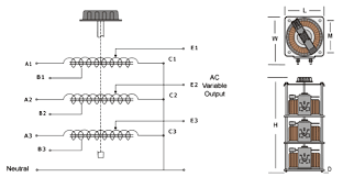
3 phase variac circuit diagram. 19 less than a minute. 8a rated output current. Schematics and wiring diagrams general wiring information common is used as the third leg in a three phase open delta or as neutral in a three wire single phase series and four wire variac schematics keywords.
We have a 440 volts 3 phase supply line a b c that i do not know what configuration delta or wye. 3 phase variac test hvdragonproduction. A large three phase autotransformer may have a buried delta winding not connected to the outside of the tank to absorb some harmonic currents.
Connection diagrams for clockwise increase of voltage are given in figure. Single phase three phase wiring diagrams 1 phase 3 phase wring the star delta y δ 3 phase motor starting method by automatic star delta starter with. Sep 29 i picked up the above transformer so i can do away with the battery it is taking up space and i do not use too much.
The wrong way to connect a variac and why you might want to. The variac autotransformer its load additional loads that may be required and a. Widely used in various power supply sites with frequency 50hz.
Follow electrical technology on facebook twitter instagram. In three phase power transmission applications autotransformers have the limitations of not suppressing harmonic currents and as acting as another source of ground fault currents. 6 kva 3 phase variac voltage regulator features.
Each part should be set and linked to different parts in specific way. Circuit breaker testing duration. A variable voltage autotransformer also known as variac is a.