Fantastic Nissan Radio Wiring Diagram

Nissan car stereo wiring diagrams.
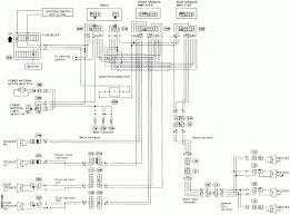
Nissan radio wiring diagram. It shows the components of the circuit as simplified shapes and the capacity and signal contacts between the devices. Nissan navara wiring diagram d40 wiring diagram is a simplified gratifying pictorial representation of an electrical circuit. Head units give the user control over the vehicles entertainment media.
Am fm radio satellite radio cds cassette tapes. Typically located in the center of the dashboard modern head units are densely integrated electronic packages housed in detachable face plates. Radio wiring color codes radio wire color codes radio wiring diagram radio wire diagram radio wiring harness radio wire harness stereo wiring color codes stereo wire color codes stereo wiring diagram stereo wire diagram stereo.
Car radio wire diagram stereo wiring diagram gm radio wiring diagram. Assortment of nissan versa radio wiring diagram. Scroll down and find the nissan wire guide you need.
For example when a module is powered up and it sends out a new signal of 50 percent the voltage in addition to the technician would not know this he would think he has a challenge as he or she would expect the 12v signal. Ide hitachi deskstar hdp725016glat80 need pinout diagram please. Nissan car radio stereo audio wiring diagram autoradio connector wire installation schematic schema esquema de conexiones stecker konektor connecteur cable shema car stereo harness wire speaker pinout connectors power how to install.
Free car stereo and car radio and car audio installation resource. If you want to install a car stereo you ll love our nissan stereo wire guide. Nissan wiring diagram color codes wiring diagram is a simplified normal pictorial representation of an electrical circuit it shows the components of the circuit as simplified shapes and the facility and signal contacts amid the devices.
Every nissan stereo wiring diagram contains information from other nissan owners. 1998 nissan 200sx 1997. Nissan car radio wiring diagrams.